引言
将候选药物的给药方案与肿瘤生长动力学联系起来的药代动力学-药效学(PK-PD)模型可大大改善肿瘤药物的临床前开发。为了开发这种模型,第一步是定义描述疾病进展的数学模型,已有文献报道了许多肿瘤生长模型,反映了不同的范例。本文介绍了这些模型,并介绍了这些模型在Phoenix软件中的实现。
(拥有Phoenix WinNonlin、Phoenix NLME任意一种授权即可实现)
目录
引言
多种描述肿瘤增长的模型
经验模型
机制模型
半机制模型
肿瘤体积体积的测量与肿瘤增长的假设
肿瘤质量体积的计算
模型的基础假设
肿瘤增长假设
肿瘤凋亡假设
药物作用
建模策略
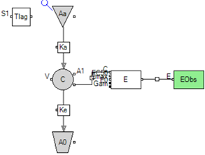
药代动力学
肿瘤动力学分为两个阶段
模拟
Gmpertz+线性模型
肿瘤增长
凋亡过程
药物作用
在Phoenix中的实现
选择内置模型
将模型切换到“文本编辑(Edit as Textual)”模式
最终模型的代码
Simeni+线性模型
肿瘤增长
凋亡过程
药物作用
在Phoenix中的实现
模型代码
Jumbe+Emax模型
肿瘤增长
凋亡过程
药物作用
在Phoenix中的实现
模型代码
结果
总结
参考资料
经验模型使用数学方程式(宏观方程,非微分方程)来描述肿瘤生长曲线,比如一些S型的函数logistic, Verhulst, Gompertz, and von Bertalanffy,(可参阅前文“”了解多种S型模型在Phoenix中的实现)。在这种情况下,计算获得的描述肿瘤生长的参数的值,可以用来评估以进行过的给药方案/剂量水平下的药物的作用,而不能作为在测试方案之外的情况的预测工具。
机制模型对基对肿瘤的增长过程中的细胞周期动力学和生化过程等生理过程进行了一系列的假设与近似,建立数学模型进行描述。通常用到的一个假设是,假设肿瘤细胞群至少包含两个亚群:静止细胞群和增长细胞群。更复杂的模型将细胞群体描述为年龄结构,并考虑到与细胞周期特定阶段有关的亚群。与经验模型相比,这些模型具有大量的参数,模型开发非常耗时,并且需要进行大量的定量观察(例如需要流式细胞仪分析,生化和免疫标记测量等),以避免由于参数过多而导致的可识别性问题。
半机制模型是在经验方法和基于机制的方法之间进行折衷的模型。
肿瘤体积体积的测量与肿瘤增长的假设
在实验期间通过卡尺定期测量肿瘤的大小,肿瘤质量的计算公式如下:
肿瘤质量(mg)=长(mm)*宽(mm)^2/2*密度
假设肿瘤组织的密度ρ=1mg/mm^3
肿瘤异种移植模型中动物体内肿瘤的增长至少在早期阶段,遵循指数增长;
肿瘤异种移植模型中动物体内肿瘤的增长在指数增长之后,遵循线性增长;
直到达到最终平台。
(这种增长曲线的特征可以使用Gompertz模型描述)
认为健康肿瘤细胞,在药物的作用下,以一级速率进入凋亡过程,肿瘤细胞凋亡过程使用转移室模型描述,转移室包含的房室数量被认为是一个需要被估计的整数参数,肿瘤体积为健康细胞加凋亡过程中各个阶段细胞的总体积。
假设药物作用会影响健康肿瘤细胞进入凋亡过程的速率,药物的作用使用Emax模型或线性模型描述。
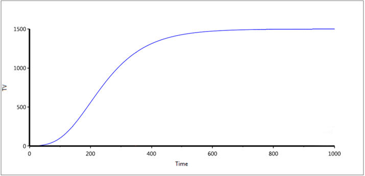
肿瘤体积对时间图
建模策略
仅在研究的卫星组中进行PK测量
PK / PD模型中PK部分被固定冻结
- 肿瘤动力学分为两个阶段
空白对照组,估计侵袭性和抵抗力
所有治疗组,估计药物诱导的凋亡
对化合物抗肿瘤效力排列秩次
对PD参数进行敏感性分析
测试新的药物剂量水平和方案
最终扩展到首次人类试验剂量
Gmpertz+线性模型:
基于肿瘤增长曲线的特征,使用具有相似形状特征的Gompertz函数进行拟合与描述。
假设凋亡过程的转运室模型有0个房室。
药物的作用使用线性模型描述。
在“结构(Structure)”选项卡通过下拉列表与复选框,使用“内置(Built-in)”模型完成模型基本结构的描述。
2.将模型切换到“文本编辑(Edit as Textual)”模式
对模型代码中“药效”部分的方程进行修改。
Simeni+线性模型:
假设存在一个肿瘤质量的阈值Wth,在该阈值处肿瘤的增长有指数过程转变为线性过程(即从1级动力学过程转变为0级动力学过程),可使用下述微分方程描述此过程。
其中,
w(0)表示接种时肿瘤的质量
λ0表示指数增长阶段的增长速率常数,(1级动力学速率常数)
λ1表示线性增长阶段的增长速率常数,(0级动力学速率常数)
Wth表示肿瘤质量的阈值
出于计算原因,仅使用单个微分方程进行描述是更方便的,特别是对于将来将要引入的抗癌药物的作用,所以使用下述方程作为上述方程的近似:
当Ψ足够大时,上述方程是原始方程的很好的近似。
比如:
当肿瘤质量w(t)小于Wth,则{λ0/λ1*w(t)}^Ψ这一项会变得非常小,相对于分母中的1,这一项是可以忽略不记得,因此肿瘤得增长速率近似为λ0*w(t)。
当肿瘤质量w(t)大于Wth,则{λ0/λ1*w(t)}^Ψ这一项会变得非常大,相对于分母中的1,分母中得1是可以忽略不记得,因此肿瘤得增长速率近似为λ1。
依据模型作者经验,当Ψ=20时,可使系统足够迅速地从一阶增长转变为零阶增长。
凋亡过程:
假设凋亡过程的转运室模型有3个房室。
药物的作用使用Emax模型描述。
假设:
[作者说的很含糊,但我觉得其思想来源于异速生长,而异速生长关于周转模型的增长速率的幂为3/4]
则肿瘤增长模型可表述为:
凋亡过程:
假设凋亡过程的转运室模型有3个房室。
药物的作用使用Emax模型描述。
结果
总结
肿瘤增长/凋亡模型+药物作用模型
● Gmpertz+线性模型
- 经典方程
- Empirical
肿瘤增长模型Gmpertz,S形曲线
不对细胞进行区分,药物直接影响肿瘤总体积
药物诱导的衰亡作用由比例因子表示
● Simeni+线性模型
- 广泛使用
- 半机制
肿瘤增长模型Simeni,先一级速率之后零级速率
区分正在增殖的细胞和即将死亡的细胞,药物诱导细胞进入凋亡过程
药物诱导的衰亡作用由比例因子表示
● Jumbe+Emax模型
- 半机制
肿瘤增长模型Jumbe ,指数增长
区分正在增殖的细胞和即将死亡的细胞,药物诱导细胞进入凋亡过程
药物诱导的衰亡作用的表达式是一个可饱和函数
参考资料:
◇ https://support.certara.com/forums/topic/1040-lesson-13-modeling-tumor-growthkill/
◇ Gabrielsson & Weiner, Pharmacokinetic and Pharmacodynamic Data Analysis - Concepts and Applications, 5th Edition, Swedish Pharmacology Press (2015)
◇ 模拟曲妥珠单抗-DM1(抗体药物偶联物)在小鼠中的功效。
Jumbe, Nelson L. , et al. "Modeling the efficacy of trastuzumab-DM1, an antibody drug conjugate, in mice. " Journal of Pharmacokinetics & Pharmacodynamics 37.3(2010):221-242.
◇ 给予抗癌剂后,异种移植模型中肿瘤生长动力学的预测药代动力学-药效学模拟。
Simeoni, and M. "Predictive pharmacokinetic-pharmacodynamic modeling of tumor growth kinetics in xenograft models after administration of anticancer agents. " Cancer Research 64.3(2004):1094-1101.



